Automobilio signalizacija šiandien yra ne tik apsaugos priemonė, bet ir išmanios transporto priemonės dalis, galinti užkirsti kelią vagystei, neteisėtam patekimui ar net techniniam gedimui. Jūsų automobilyje įdiegta geriausių apsaugos sistemų gamintojų pasaulyje produkcija garantuos patikimą transporto priemonės apsaugą. Signalizacijos įrengimas yra svarbus ir suteikia daug privalumų.
Mes parduodame ir montuojame tik pačias pažangiausias ir aukščiausios kokybės automobilių apsaugos sistemas bei signalizacijas. Pas mus galite įsigyti tiek užsienio kompanijų, tiek ir Lietuvoje gaminamas įvairių lygių automobilių apsaugos sistemas. Priklausomai nuo Jūsų pageidavimų, draudimo bendrovių reikalavimų bei finansinių galimybių.
Signalizacijos Tipai ir Apsaugos Lygiai
Renkantis automobilio signalizaciją, svarbu suprasti, kad egzistuoja įvairūs apsaugos lygiai ir tipai. Nors jokia signalizacija negali visiškai apsaugoti nuo vagystės, ji gali gerokai apsunkinti vagies darbą ir padidinti sugaištamą laiką, o tai gali atgrasyti nuo bandymo pavogti automobilį.
Išskiriami įvairūs signalizacijų lygiai. Dažniausiai jie žymimi taip: 4, 3, 3+, 2, 2+, 1, 1+. 4-asis lygis tai pati paprasčiausia apsauga, kurią turi praktiškai visi, naujesni nei 1998 m. gamybos automobiliai. 3-iasis lygis žymi garsinę signalizaciją, kuri ima veikti atidarius automobilio duris ar kitaip pažeidus nustatytą saugumo zoną. 2-asis lygis (ir jo variacija 2+) tai subtilesnė ir jautresnė sistema, kuri turi ne tik garsinį aliarmą, bet ir autonominį maitinimą bei gebėjimą nustatyti tikslias automobilio buvimo koordinates realiuoju laiku. 1-ojo lygio signalizacija yra pati brangiausia ir efektyviausia. Ji geba ne tik nurodyti automobilio koordinates, bet ir tiesiogiai siunčia šiuos duomenis pasirinktai apsaugos bendrovei.
Pasirinkite signalizacijos apsaugos lygį, atsižvelgdami į savo automobilio vertę, vagystės riziką ir savo biudžetą. Jei turite brangų automobilį, verta investuoti į pažangesnę sistemą su papildomomis funkcijomis, tokiomis kaip GPS sekimas ir apsauga nuo kodo perėmimo.
Draudžiant automobilį nuo vagystės, draudimo kompanijos yra nustačiusios reikalavimus, kad draudžiamame automobilyje būtų sumontuotos tam tikro lygio apsaugos priemonės. Tuo atveju, jei kliento automobilyje yra aukštesnio lygio apsaugos sistemos ir tai padeda sumažinti riziką, draudimui suteikiama nuolaida. ERGO bendrovėje, pavyzdžiui, naudojami trys automobilių apsaugos sistemų lygiai. Koks apsaugos lygis reikalaujamas konkrečiam automobiliui priklauso nuo automobilio markės, pagaminimo metų, vertės, vagysčių dažnio ir kitų niuansų. Tačiau daugumai automobilių pakanka gamyklinės apsaugos.
Prieš klientams montuojant automobilyje apsaugos sistemas, visuomet kviečiame kreiptis į draudimo bendrovę ir išsiaiškinti tikslius reikalavimus. Pastebime tendenciją, kad vis daugiau klientų taip ir daro - pirmiausia išsiaiškina apsaugos lygio reikalavimus ir tik tuomet montuoja įrangą. Tarp populiariausių apsaugos priemonių - paieškos ir vietos nustatymo sistemos bei imobilizatoriai.

Pagrindinės Signalizacijos Funkcijos
Paprasčiausia signalizacija paprastai apima šias funkcijas:
- Durų, kapoto ir bagažinės atidarymo jutiklius: Suveikus vienam iš šių jutiklių, įjungiama sirena.
- Smūgio jutiklį: Reaguoja į smūgius į automobilį, įspėdamas apie galimą bandymą įsilaužti.
- Sireną: Garsus signalas, atkreipiantis dėmesį ir atbaidantis vagis.
- Variklio blokavimą: Neleidžia užvesti automobilio, kai signalizacija įjungta.
Pažangesnės Signalizacijos Sistemos
Pažangesnės sistemos siūlo papildomas funkcijas, tokias kaip:
- Dvipusis ryšys: Informuoja savininką apie įvykius automobilyje per pultelį su ekranu.
- GPS sekimas: Leidžia nustatyti automobilio buvimo vietą vagystės atveju.
- Nuotolinis valdymas: Galimybė užrakinti/atrakinti duris, užvesti variklį nuotoliniu būdu.
- Apsauga nuo kodo perėmimo: Naudoja šifravimo algoritmus, kad apsunkintų kodo perėmimą.
- Išmaniosios signalizacijos funkcijos: Praneša savininkui apie bandymus patekti į automobilį ir, esant galimybei, nufilmuoja įvykį.
Nuspręskite, Jums reikalinga vienpusio, ar dvipusio ryšio sistema. Vienpusė automobilio signalizacija siunčia ryšį tik į automobilį, o dvipusio ryšio signalizacijos sistemos yra sudėtingesnės: jos gali perduoti pranešimus tarp specialaus nuotolinio valdymo pulto arba/ir išmaniojo telefono ir automobilio.
Ar savo automobilyje dažnai paliekate/nuolat laikote kokius nors vertingus daiktus? Jei taip, išties verta apsvarstyti galimybę naudoti dvipusio ryšio apsaugos sistemą, kad galėtumėte papildomai stebėti savo automobilio saugos būseną nuotoliniu būdu. Jeigu ieškote tik garsinio pavojaus signalo ir nemanote, kad yra didelė rizika, kad nusikaltėliai iš tikrųjų taikysis būtent į Jūsų automobilį, turėtų pakakti paprastesnės, vienpusio ryšio apsaugos sistemos. Priešingu atveju patariama įsigyti dvipusio ryšio signalizacijos sistemą, kuri suteiks papildomo saugumo. Tiesa, šio tipo automobilių signalizacijos montavimo kaina bus šiek tiek aukštesnė.
Ar pageidaujate signalizaciją valdyti savo išmaniuoju telefonu? Kai kurios dvipusio ryšio signalizacijos gali būti susiejamos ir valdomos išmaniuoju telefonu. Jei kada nors tektų nuotoliniu būdu įjungti arba išjungti apsaugą, ši funkcija bus labai naudinga. Tačiau atminkite, kad ši paslauga dažniausiai kainuoja papildomai: įvertinkite, ar jos Jums tikrai prireiks.
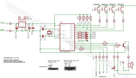
Automobilio Signalizacijos Schema: Kaip Tai Veikia
Automobilio signalizacijos schema yra sudėtingas elektronikos ir elektros komponentų rinkinys, veikiantis kartu, siekiant apsaugoti transporto priemonę nuo vagystės ir įsilaužimo. Schemos pagrindas yra valdymo blokas, kuris apdoroja signalus iš įvairių jutiklių ir aktyvuoja atitinkamus veiksmus.

Pagrindiniai Schemos Elementai
- Valdymo blokas (ECU): Tai yra signalizacijos "smegenys", apdorojančios informaciją iš jutiklių ir valdančios kitus komponentus. Jis atpažįsta signalus, gautus iš durų, kapoto, bagažinės jutiklių, smūgio jutiklių, ir reaguoja atitinkamai. Pažangesni valdymo blokai gali bendrauti su GPS moduliais, GSM moduliais (skirti pranešimams siųsti) ir kitais išoriniais įrenginiais.
- Jutikliai:
- Durų, kapoto ir bagažinės jutikliai: Paprastai tai yra kontaktiniai jungikliai, kurie suveikia, kai atidaroma atitinkama dalis. Jie siunčia signalą į valdymo bloką, kuris interpretuoja tai kaip įsilaužimo bandymą.
- Smūgio jutikliai: Reaguoja į vibracijas ir smūgius. Yra dviejų tipų: vieno lygio (reaguoja į bet kokį smūgį) ir dviejų lygių (atskiria silpnus ir stiprius smūgius). Silpnas smūgis gali įjungti įspėjamąją sireną, o stiprus - pilną signalizacijos režimą.
- Judėjimo jutikliai: Naudojami rečiau, bet gali būti naudingi kabrioletams ar automobiliams su minkštais stogais. Jie reaguoja į judėjimą automobilio viduje.
- Tūrio jutikliai: Aptinka tūrį keičiantį judėjimą automobilio viduje.
- Sirena: Garsus įspėjamasis signalas, skirtas atkreipti dėmesį ir atbaidyti vagis. Sirenos gali būti autonominės (su savo maitinimo šaltiniu) arba maitinamos iš automobilio akumuliatoriaus.
- Variklio blokavimo relė: Nutraukia svarbią variklio grandinę (pvz., degimo grandinę ar kuro siurblio grandinę), kad neleistų užvesti automobilio.
- Pultelis: Skirtas įjungti/išjungti signalizaciją, valdyti durų užraktus ir kitas funkcijas. Pulteliai gali naudoti įvairius ryšio protokolus, įskaitant radijo bangas ir Bluetooth.
Signalizacijos Veikimo Principas
- Signalizacijos įjungimas: Paprastai atliekamas paspaudžiant mygtuką ant pultelio. Valdymo blokas pereina į budėjimo režimą ir pradeda stebėti jutiklių signalus.
- Jutiklio suveikimas: Kai vienas iš jutiklių (pvz., durų jutiklis) suveikia, jis siunčia signalą į valdymo bloką.
- Signalo apdorojimas: Valdymo blokas apdoroja gautą signalą ir nustato, ar tai yra įsilaužimo bandymas. Jis gali atsižvelgti į jutiklio jautrumą, signalo trukmę ir kitus parametrus.
- Reakcija: Jei valdymo blokas nustato, kad tai yra įsilaužimo bandymas, jis aktyvuoja atitinkamus veiksmus, pvz., įjungia sireną, blokuoja variklį ir siunčia pranešimą savininkui (jei signalizacija turi tokią funkciją).
- Signalizacijos išjungimas: Atliekamas paspaudžiant mygtuką ant pultelio arba įvedant kodą. Valdymo blokas grįžta į normalų režimą ir atjungia sireną bei variklio blokavimą.
Signalizacijos Diegimas: Žingsnis po Žingsnio
Signalizacijos diegimas yra sudėtingas procesas, reikalaujantis elektros ir elektronikos žinių. Jei nesate tikri dėl savo gebėjimų, rekomenduojama kreiptis į profesionalų automobilių elektriką.

Būtinos Priemonės ir Įranga
- Automobilio signalizacijos komplektas
- Atsuktuvai (plokščias ir kryžminis)
- Replės
- Izoliacinė juosta
- Multimetras (testeris)
- Laidų nuėmimo įrankis
- Litavimo įranga (neprivaloma)
- Automobilio elektros instaliacijos schema (konkrečiam automobiliui)
Diegimo Žingsniai
- Atsijunkite akumuliatorių: Prieš pradėdami bet kokius darbus su elektros instaliacija, būtina atjungti neigiamą akumuliatoriaus gnybtą, kad išvengtumėte trumpųjų jungimų.
- Raskite tinkamą vietą valdymo blokui: Valdymo blokas turi būti apsaugotas nuo drėgmės ir aukštos temperatūros. Dažnai jis montuojamas po prietaisų skydeliu arba po sėdyne.
- Prijunkite maitinimo laidus: Prijunkite signalizacijos maitinimo laidus prie automobilio akumuliatoriaus, laikydamiesi poliškumo (raudonas laidas - prie teigiamo gnybto, juodas laidas - prie neigiamo gnybto arba automobilio kėbulo). Būtina naudoti saugiklį ant teigiamo laido.
- Prijunkite jutiklius: Prijunkite durų, kapoto ir bagažinės jutiklius prie valdymo bloko. Dažniausiai naudojami kontaktiniai jungikliai, kurie montuojami taip, kad suveiktų, kai atidaroma atitinkama dalis.
- Prijunkite smūgio jutiklį: Sumontuokite smūgio jutiklį ant automobilio kėbulo, kuo arčiau automobilio centro. Prijunkite jį prie valdymo bloko.
- Prijunkite sireną: Sumontuokite sireną po kapotu, toliau nuo karštų variklio dalių. Prijunkite ją prie valdymo bloko.
- Prijunkite variklio blokavimo relę: Raskite tinkamą variklio grandinę (pvz., degimo grandinę ar kuro siurblio grandinę) ir nutraukite ją. Įjunkite variklio blokavimo relę į grandinę taip, kad signalizacija galėtų atjungti grandinę, kai ji įjungta.
- Prijunkite pultelio anteną: Sumontuokite pultelio anteną taip, kad ji būtų kuo toliau nuo metalinių dalių, kad užtikrintumėte gerą ryšio diapazoną.
- Patikrinkite visus jungimus: Prieš prijungdami akumuliatorių, atidžiai patikrinkite visus laidus ir jungtis, kad įsitikintumėte, jog nėra trumpųjų jungimų ar atsilaisvinusių jungčių.
- Prijunkite akumuliatorių: Prijunkite neigiamą akumuliatoriaus gnybtą.
- Išbandykite signalizaciją: Įjunkite signalizaciją ir patikrinkite, ar visi jutikliai veikia tinkamai. Patikrinkite, ar sirena veikia, ar variklis blokuojamas, ir ar pultelis veikia tinkamai.
Svarbūs Aspektai Renkantis ir Diegiant Signalizaciją
Tinkamas montavimas yra labai svarbus signalizacijos efektyvumui. Net pati pažangiausia signalizacija bus neveiksminga, jei ji bus neteisingai sumontuota. Patikėkite montavimą profesionaliam automobilių elektrikui arba atidžiai sekite instrukcijas ir būkite atsargūs, jei nuspręsite tai daryti patys.
Atsižvelkite į pultelio veikimo atstumą. Didesnis veikimo atstumas gali būti patogus, tačiau jis taip pat gali padidinti riziką, kad kodas bus perimtas. Ieškokite signalizacijos sistemų su apsauga nuo kodo perėmimo.
Automatinis variklio užvedimas gali būti patogus, tačiau jis taip pat gali padidinti riziką, kad automobilis bus pavogtas. Jei nuspręsite įdiegti signalizaciją su automatiniu variklio užvedimu, įsitikinkite, kad ji turi papildomas saugumo funkcijas, tokias kaip imobilizatorius.
Pažangios signalizacijos sistemos dažnai turi apsaugos nuo klaidingų suveikimų mechanizmus. Tai svarbu, kad signalizacija nesuveiktų be reikalo, pvz., dėl stipraus vėjo ar pravažiuojančio sunkvežimio.
Kai kurios signalizacijos sistemos gali būti integruotos su automobilio elektronine sistema. Tai gali suteikti papildomų funkcijų, tokias kaip durų užrakinimas automatiškai, kai automobilis pradeda važiuoti.
Specialios Signalizacijos Funkcijos
Išmaniosios Signalizacijos
Išmaniosios signalizacijos sistemos naudoja pažangias technologijas, tokias kaip mobilieji telefonai, GPS sekimas ir vaizdo kameros, kad užtikrintų aukštesnį saugumo lygį. Jos gali pranešti savininkui apie įvykius automobilyje realiu laiku, leisti stebėti automobilio buvimo vietą ir net nufilmuoti įvykį.
Bevielės Signalizacijos
Bevielės signalizacijos sistemos yra lengviau montuojamos, nes nereikia tiesti daug laidų. Jos naudoja bevielį ryšį tarp jutiklių ir valdymo bloko. Tačiau svarbu užtikrinti, kad bevielis ryšys būtų apsaugotas nuo trukdžių ir įsilaužimo.
CAN magistralės Signalizacijos
CAN magistralės signalizacijos sistemos integruojasi su automobilio CAN magistrale, kuri yra komunikacijos tinklas, jungiantis įvairius automobilio elektroninius modulius. Tai leidžia signalizacijai gauti informaciją iš automobilio sistemos ir valdyti kai kurias funkcijas, tokias kaip durų užraktai ir langų pakėlimas.
Dabartinėje automobilių apsaugos sistemų rinkoje jų pasiūla yra nemaža. Automobilių signalizacijos yra įvairiausių kainų, vienos pasižymi kintamais kodais, kitos nedideliais davikliais ar posvyrio kampo jutikliais. Pasirinkimas nemažas, o kiekviena sistema turi savo pliusų ir minusų. Anksčiau išvardintos sistemos tinka apsisaugoti nuo lengvo grobio ištroškusių chuliganų ar eilinių vagių. Dėja, egzistuoja ir paslaptingieji profesionalai, juos sulaikyti ar atbaidyti gali tik geresnės automobilių signalizacijos, šiuo atvėju - Sherlog.
Radijolokacinės (palydovinės) paieškos sistemos - didžiausias pranašumas prieš vagis. Čia savo darbą puikiai atlieka naujos kartos palydovinės mobilių objektų stebėjimo ir saugojimo sistemos. Jos pranašumas akivaizdus, nes transporto priemonė visada yra sekama palydovo, kuris greitai ir efektyviai pasako, kur tuo metu randasi prapuolęs asmens automobilis.
Viena saugos priemonė viso darbo atlikti nesugeba. Jų komplektas - tai jau iššūkis ir nemenką patirtį turintiems vagims. Visi esame matę filmus, kur ilgapirščiai automobilio signalizaciją geba nuginkluoti dviejų pirštų spragtelėjimu. Panašių situacijų gali pasitaikyti ir kasdieniniame gyvenime, bet jis kupinas netikėtumų ir ilgai ruoštas planas, praturtėti kito asmens sąskaita, gali nueiti šuniui ant uodegos, jei radijolokacinė (palydovinė) signalizacija bus laiku įmontuota į Jūsų automobilį.
Šią problemą gali išspręsti tik pilietiškumas. Geri santykiai su kaimynais ar visuotinis blogio netoleravimas, ilgapirščiams sutrukdys atlikti negražius darbus. Kol mokomės būti aktyviais visuomenės nariais - patikimos automobilio signalizacijos leis išvengti nereikalingų problemų.
V. Grigaičio manymu, standartinės sistemos nėra tokios geros, kad suteiktų visapusišką apsaugą. Juo labiau, kad vagys taip pat tobulėja. Šiandieninės tendencijos tokios, kad vagys „nulaužia“ sistemą ir ją perprogramuoja. Tai trunka vos kelias sekundes ir automobilis tiesiog nuvažiuoja. Tokiu atveju, papildoma signalizacija padėtų. Standartinės signalizacijos dažniausiai yra tik dėl to, kad būtų. Kas su jomis blogai? Vagiui radus, kaip įveikti gamyklinę sistemą pažeidžiami tampa visi tos markės ar modelio automobiliai. Didelis minusas yra ir tas, kad dėl sistemų standartizavimo vagys gali jas atjungti grubiuoju būdu, nes žino, kad gamyklinė signalizacija visuose to paties modelio automobiliuose bus sumontuota toje pačioje vietoje.
Automobilių vagys prisitaiko prie automobilių gamintojų tendencijų. Išmanūs vagys sukuria tokias sistemas, kurios padeda nuvaryti automobilį be jokio mechaninio įsikišimo. Pastaruoju metu populiariausias būdas pavogti automobilį yra per beraktę užvedimo sistemą. Tai yra, kai nuskaitomas raktas arba prailginamas jo veikimo atstumas ir be jokios papildomos pagalbos automobilis užvedamas paprasčiausiai paspaudus „start“ mygtuką. Žinoma, tokiu būdų pavogtas automobilis, pritaikius tokį patį metodą, antrą kartą neužsives, bet pakanka, kad jis būtų nuvaromas į kažkokią vietą, kurioje viskas perprogramuojama taip, kad veiktų su nauju raktu.
A. Marčenka pastebi, kad pagrindinis skirtumas tarp senesnių ir naujų sistemų yra tas, kad įdiegus signalizaciją nebereikia papildomų pultelių jos valdymui. Principas išlieka toks pats, bet šiandien daugiausia montuojamos skaitmeninės sistemos, kurios valdomos per gamyklinį automobilio raktelį ir nereikia papildomo pultelio, kaip reikėdavo anksčiau. Bet tokia situacija kalbant apie pigesnes sistemas. Brangesnės suteikia dar daugiau privalumų ir patogumų automobilio šeimininkui. Pavyzdžiui, GSM siųstuvus turinčios signalizacijos gali veikti tyliai ir apie tai, kad automobilis yra vagiamas arba apiplėšinėjamas, pranešama tik automobilio savininkui.
V. Grigaitis pasakoja, kad vis labiau populiarėjant ne pačių automobilių, bet tik jų detalių vagystėms, apsaugos sistemas galima pritaikyti taip, kad jos praneštų ir apie tokius pavojus. Tiems, kas kenčia nuo žibintų vagysčių, galima prie GSM sistemos prijungti specialius daviklius, kurie šeimininkui praneša, kad kažkas krapštosi prie automobilio. Jei išdaužiamas stiklas ar atidaromos durys, pradeda „kaukti“ ir padeda išvengti tokių vagysčių.
Norintys automobilio saugumu pasirūpinti maksimaliai, renkasi signalizacijas, kurios suteikia galimybę matyti vietą, kurioje yra pavogtas automobilis. Įdiegti tokias sistemas į pačius brangiausius ir prabangiausius automobilius reikalauja ir draudimo kompanijos.
Jei neturite įrangos ar patirties, rekomenduojama kreiptis į specialistus. Kartą per metus patikrinkite signalizacijos būklę autoservise. Stenkitės parkuoti automobilį sausose vietose.
Vietoje signalizacijos
Turbūt sutiksite, kad šiandien, kai daugeliui tenka kasdien keliauti darbo reikalais, transporto priemonės saugumas nuo įsibrovėlių yra ne mažiau aktualus, nei būsto apsauga. Net jei gyvename saugioje vietoje, nesame šimtu procentų apsaugoti nuo įsilaužimų į automobilį.
Automobilio signalizacijos sistemos yra gyvybiškai svarbios transporto priemonės apsaugai, tačiau net ir geriausios jų versijos reikalauja priežiūros.

Jei ieškote geriausios apsaugos Jūsų automobiliui, kviečiame susisiekti su mumis: skambinkite telefonu +370 685 11555 bet kuriuo paros metu ir profesionalų konsultaciją gaukite visiškai nemokamai! Padėsime pasirinkti Jums geriausią automobilio apsaugos sprendimą.
tags: #automobilio #signalizacijos #schema