Elektrinės sėdynės reguliavimo gedimai BMW 730 (E38) modelyje gali sukelti nepatogumų, ypač kai nepavyksta nustatyti norimos padėties. Dažnai kyla klausimas, ar problema slypi saugikliuose, ar kitur. Šiame straipsnyje apžvelgsime galimas gedimo priežastis ir jų šalinimo būdus.
Galimos gedimo priežastys ir jų šalinimas
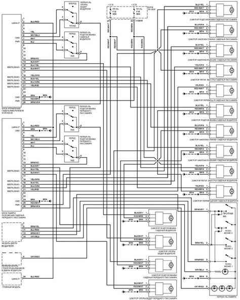
Jei pastebėjote, kad jūsų BMW 730 (E38) elektrinė sėdynė nereguliuoja padėties, pirmiausia verta patikrinti saugiklius. Pagal schemą, reikėtų patikrinti F12 ir F42 saugiklius, kurie paprastai yra po variklio dangčiu. Jei saugikliai yra tvarkingi, kitas žingsnis - atjungti automobilio akumuliatorių, tuomet po sėdyne atjungti ir vėl prijungti sėdynės jungtį (žymima X279). Po šių veiksmų vėl prijunkite akumuliatorių ir patikrinkite, ar sėdynė veikia.
Kaip papildomą patikrinimą, galite pabandyti įjungti sėdynės šildymą. Jei šildymas veikia, tikėtina, kad jungtis yra gera ir problema slypi kitur. Kai kurie vairuotojai pastebėjo, kad norint atstatyti išsaugotus sėdynės nustatymus, reikia ne tiesiog paspausti mygtuką (pvz., "1"), bet jį nuspausti ir palaikyti, kol visi reguliavimai bus nustatyti į išsaugotą padėtį. Verta pabandyti šį metodą.
Taip pat svarbu atkreipti dėmesį į tai, ar prieš gedimą nebuvo atliekami jokie elektros instaliacijos darbai, pavyzdžiui, vedžiojami laidai. Vedžiojant laidus galėjote netyčia kažką trumpinti, atjungti ar neteisingai pajungti, todėl verta atidžiai apžiūrėti laidus aplink sėdynę ir jos modulį. Dažnai laidai gali būti sulaužyti ar nutrintis, ypač jei sėdynė buvo intensyviai naudojama ar reguliuojama.
Jei sėdynės atmintis (memory funkcija) dingsta po automobilio užgesinimo ir vėl užvedus, nors prieš tai viskas veikė puikiai, gali būti, kad problema yra susijusi su mygtukų panele. Kartais, ypač E39 modelyje, atmintis veikia skirtingai priklausomai nuo degimo padėties. Pirmoje degimo padėtyje užtenka trumpai paspausti atminties mygtuką, o užvestame automobilyje gali reikėti jį palaikyti nuspaustą. Nors tai E38 modelis, verta atsižvelgti į tokius skirtumus.
Jei sėdynės atmintis dingsta, o "M" (memory) lemputė neužsidega, gali būti, kad atsilaisvinusi jungtis prie jungtukų. Tokiu atveju verta patikrinti, ar visos jungtys tvirtai sujungtos.
Detalesnė patikra apima:
- Patikrinti 15 saugiklį.
- Atjungti sėdynės jungtį ir patikrinti, ar ateina srovė per didelį raudonai/rudą laidą.
- Pakelti sėdynę į aukščiausią tašką, nuimti šoninę plastikinę panelę ir apžiūrėti, ar laidai tvirtai prijungti prie sėdynės modulio, ar nėra sulaužytų ar nutrintų laidų.
Jei neveikia sėdynės šildymas ir masažas:
- Patikrinti 39 saugiklį.
- Įjungti šildymą ir patikrinti, ar ateina srovė per baltai/geltoną laidą (kairė sėdynė) arba baltai/žalią laidą (dešinė sėdynė).
- Gali būti, kad sugedusi mygtukų panelė.
- Patikrinti, ar ateina į sėdynės jungtį iš sėdynės pusės plonas geltonai/žalias laidas (kairė sėdynė).
Yra ir variantas, kad sėdynės buvo pakeistos į paprastesnes, be šildymo ir masažo funkcijų.

Sėdynės atminties funkcijos gedimai
Jei jūsų BMW 730 (E38) sėdynė pamiršta nustatytą ir išsaugotą padėtį (memory), nors viską atliekate teisingai (nustatote sėdynę, spaudžiate "M", tada "1"), o po dienos ar užgesinus automobilį atmintis dingsta, problema gali būti sudėtingesnė. Vienas iš galimų sprendimų - pabandyti palaikyti nuspaudus atminties mygtuką, kol sėdynė visiškai susireguliuos į išsaugotą padėtį.
Kai kurie vairuotojai susidūrė su situacija, kai po sėdynės jungties atjungimo ir vėl prijungimo, problema išsispręsdavo. Tai gali reikšti, kad jungtis buvo praradus kontaktą arba tiesiog reikėjo atlikti "reset".

Project E39 | Ep.2 | Fixing the TWISTED power seats
Jei pastebite, kad vienu metu užprogramuojate 3 skirtingas padėtis, jos veikia kol degimas įjungtas, tačiau užgesinus automobilį ir vėl jį užvedus visa atmintis dingsta, tai gali reikšti problemą su elektros tiekimo grandine arba atminties moduliu.
Vienas iš sprendimų, kurį paminėjo forumo dalyvis, buvo patikrinti saugiklius F12 ir F42, atjungti akumuliatorių, atjungti sėdynių jungtį X279 ir vėl ją prijungti, tuomet vėl prijungti akumuliatorių. Šis metodas padėjo sutvarkyti gedimą.
