Automobilio oro kondicionavimo sistema yra esminė komforto dalis, ypač karštomis dienomis. Viena iš svarbiausių jos sudedamųjų dalių yra kondicionieriaus ventiliatorius, atsakingas už oro cirkuliaciją salone. Norint užtikrinti tinkamą šio ventiliatoriaus veikimą, svarbu žinoti apie jo saugiklį ir galimus gedimus. Šiame straipsnyje detaliai aptarsime BMW E39 kondicionieriaus ventiliatoriaus saugiklį.
Kondicionieriaus Ventiliatoriaus Saugiklio Vieta ir Identifikavimas
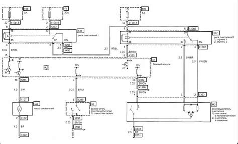
BMW E39 modeliuose saugiklių dėžutės paprastai yra dviejose pagrindinėse vietose: vienoje pusėje prietaisų skydelio (dažniausiai vairuotojo pusėje) ir bagažinėje, kairėje pusėje. Svarbu atkreipti dėmesį į automobilio gamybos datą, nes kai kurių komponentų saugiklių vietos ir numeracija gali skirtis. Konkrečiai, kondicionieriaus ventiliatoriaus relė gali būti pažymėta kaip "Kondensatoriaus ventiliatoriaus relė AC 1" arba "AC 3 kondensatoriaus ventiliatoriaus relė", priklausomai nuo automobilio modifikacijos ir pagaminimo datos (iki 1998-03).
Tiksliai nustatyti, kuris saugiklis ar relė atsakinga už kondicionieriaus ventiliatorių, padės automobilio techninės dokumentacijos vadovas arba specializuotos diagramos. Dažnai ant pačių saugiklių dėžučių dangtelių yra schemos, nurodančios kiekvieno saugiklio ir relės paskirtį.

Saugiklių ir Relių Priskyrimas
Saugiklių ir relių priskyrimas BMW E39 gali būti gana sudėtingas, nes kiekvienas komponentas atlieka specifinę funkciją. Toliau pateikiama dalis informacijos apie kai kuriuos saugiklius ir jų paskirtį:
- F1 (30A): Variklio valdymo modulis (ECM); EVAP filtro prapūtimo vožtuvas; masės oro srauto jutiklis (MAF); skirstomojo veleno padėties jutiklis (CMP).
- Relė 7: Kondensatoriaus ventiliatoriaus relė AC 1 (iki 1998-03).
- Relė 8: AC 3 kondensatoriaus ventiliatoriaus relė (iki 1998-03).
Pastaba: Saugiklių priskyrimas pirštinių skyriuje gali skirtis priklausomai nuo pagaminimo datos (iki 1998 m. ir nuo 1998 m.).
Kondicionieriaus Ventiliatoriaus Gedimų Diagnozė
Jei pastebėjote, kad jūsų BMW E39 kondicionierius nebeveikia tinkamai, o ventiliatorius nesisuka, pirmiausia reikėtų patikrinti atitinkamą saugiklį ir relę. Degęs saugiklis arba sugedusi relė yra dažniausia kondicionieriaus ventiliatoriaus neveikimo priežastis.
Kiti galimi gedimai gali apimti:
- Sugedęs ventiliatoriaus variklis.
- Perduotos elektros laidų problemos.
- Sutrikimai valdymo modulyje.

Saugiklių Keitimas ir Tikrinimas
Saugiklio patikrinimas ir keitimas yra gana paprasta procedūra, kurią galima atlikti savarankiškai. Pirmiausia, būtina rasti tinkamą saugiklį pagal automobilio schemą. Ištraukus saugiklį, reikia vizualiai apžiūrėti jo vidinę vielutę. Jei ji yra perdegusi (nutrūkusi), saugiklį reikia pakeisti nauju, tokios pat amperų (A) reikšmės. Svarbu naudoti tik tinkamo amperų skaičiaus saugiklius, kad nebūtų pažeista elektros sistema.
BMW 5 serijos E39 pūstuvas neveikia / Galutinės stadijos bloko keitimas.
Kondicionieriaus Ventiliatoriaus Relės Patikrinimas
Jei saugiklis yra geros būklės, kita galimos priežastis yra kondicionieriaus ventiliatoriaus relė. Relių patikrinimas gali būti sudėtingesnis ir reikalauti specialių įrankių arba žinių. Dažnai, norint patikrinti relę, ją reikia išimti ir patikrinti jos kontaktus bei ritę. Jei relė sugedusi, ją taip pat reikia pakeisti nauja.
Išvados
Tinkamas kondicionieriaus ventiliatoriaus veikimas yra svarbus jūsų komfortui ir saugumui vairuojant. Žinojimas, kur yra ir kaip patikrinti BMW E39 kondicionieriaus ventiliatoriaus saugiklį ir relę, gali padėti greitai diagnozuoti ir pašalinti problemas, susijusias su oro kondicionavimo sistema.
tags: #e39 #kondicionieriaus #ventiliatoriaus #saugiklis